Manuel TC11N
Sommaire
- 1. INTRODUCTION
- 2. GENERAL PRINCIPLES
- 3. TC11N AND USERS
- 4. OPERATING MODE
- 5. TC11N AND THE OPERATOR
- 6. MAINTENANCE
- 7. MESSAGE LIST
The Cartadis TC11N supports three operating modes which allow Cartadis magnetic cards to be used in three different applications:
- photocopier access control,
- use in “keyboard” mode for manual debiting of an amount,
- use in “timer” mode to control the operating time of any equipment.
The operating mode is selected via the “mode” parameter, accessible from the administration menu. By default, the Cartadis TC11N system is delivered in “photocopier” mode.
These magnetic cards are initialized by the copier operator on the copier itself, or sold by the Cartadis DRC4, DRC9 card distributor/loader.
Several Cartadis TC11N devices are incompatible by default, i.e. cards created on one device cannot be used on another. In this case, the same magnetic card can be used on several devices.
2.1 FUNCTIONS (PHOTOCOPIER MODE)
The Cartadis TC11N controls access to a copier (any brand) or equivalent device. It blocks the copier until a user has inserted a magnetic card. Once the card has been read and accepted, the TC11N displays the information on the card on its screen and validates the copier. Each time a photocopy is made, the display is updated to inform the user of the number of copies remaining on the card. The copier is locked by pressing one of the keys on the keypad; this operation ejects the card and, if necessary, updates the magnetic stripe.
The TC11N is equipped with a special electronic memory, called EEPROM, which ensures that information is saved when the machine is switched off. The memory contains statistical information, copier settings and prices.
Two function cards are supplied with each Cartadis TC11N: the OPERATOR card and the ADMINISTRATION card. They provide access to the following functions:
- card creation,
- statistics,
- price settings,
- copier settings,
- TC11N settings.
2.2 DESCRIPTION OF MAGNETIC CARDS
The user card
The magnetic stripe of a user card contains two fields of information. It has the following structure:

Group no. :
Cartadis TC11N group no. 1 is automatically written on all cards when they are registered. A card's group must be identical to the Cartadis TC11N group number for it to be accepted by the Cartadis TC11N.
Value :
This field represents a value between 0 and 999 999 (0 and 500 for disposable cards). This value corresponds to a number of units, copies, or a sum of money. This value is reduced for each copy made. It is then written back to the card when it is ejected. If the value reaches 0, the copier is automatically blocked and the card ejected.
The life of a magnetic card is determined by the number of transactions it has carried out. If this number exceeds 3,000, it will no longer be possible to re-register the card.
The operator card
The magnetic stripe of an operator card contains only a group number.

The OPERATOR card provides reduced access to a set of programming functions. It is accepted by a Cartadis TC11N with a group number identical to one of the three group numbers of this TC11N. This card is supplied with the device.
The administration card

The ADMINISTRATION card gives access to all programming functions. It is accepted by a Cartadis TC11N with a SERIAL number identical to its own. An area of this card is reserved for saving TC11N parameters. Thus, in the event of a “memory error”, all the main parameters are restored as soon as this area is read. This card is supplied with the device.
When the Cartadis TC11N is configured in timer mode, it is generally set up to activate any piece of equipment (games, lighting, etc.) as soon as a card is inserted in the reader. For the duration of the equipment's use, the user's card remains inside the Cartadis TC11N, and is debited with a fixed price at each time interval. The time interval and price values can be set from the administration menu in the “Init.Price” submenu. The “duration” parameter is expressed in seconds.
In keyboard mode, the Cartadis TC11N is autonomous, not connected to any equipment. This mode is used to debit a Cartadis card with an amount entered on the keypad.
All Cartadis TC11N functions are accessible via “menus”. A “menu” is a set of messages relating to management and programming functions. As the size of the Cartadis TC11N screen is limited (16 characters), only one message at a time can be displayed.
To select a menu item other than the one displayed, simply press the ( ↓ ) and ( ↑ ) keys to display the next or previous item. To call up the selected function, press the ( → ) key.
To exit a menu and return to the higher-level menu, press ( ← ).
This key is also used to exit the main ADMINISTRATION and OPERATOR menus and return the Cartadis TC11N to normal operating mode. In addition to the need to move through the various menus, the Administrator will be required to enter numbers, e.g. a value, etc. In this case, the Cartadis TC11N will indicate that it is waiting for an entry by flashing its cursor.
The meaning of the keys is as follows
- key ( 0 ) to ( 9 ) to enter the digits of the number.
- key ( C ) to cancel digit entry.
- key ( E ) to confirm number entry.
This parameter specifies the language in which messages are displayed on the TC11N screen. At the time of writing, the possible values of this parameter are : Danish, Dutch, English, Finnish, French, German, Greek, Italian, Polish, Portuguese, Spanish and Swedish. To display the possible values of the language parameter, press ( ↑ ) or ( ↓ ) after requesting the change with ( C ) (see diagram on page 12 to locate the “language” parameter).
2.7 MAGNETIC CARD REGISTRATION
The magnetic cards used are of the High Coercivity type, i.e. they are not sensitive to the magnetic fields present in an office environment: paper clip magnets, keys, magnetic scissors, etc. This feature increases the security of the information recorded on the cards. This feature enhances the security of the information stored on the cards.
Two types of card can be used:
- rechargeable cards, (max value 999 999).
- disposable cards, (max value 500).
Both types of card are initially delivered blank. Consequently, they must always be registered before use. This is done via the registration function described in this chapter. It is also possible to re-register a rechargeable card when its value has reached 0, or when you wish to change its value. A disposable card, on the other hand, cannot be re-registered. The reliability of the Cartadis TC11N and the quality of its service depend to a large extent on the physical condition of the cards used. Rechargeable cards with a worn magnetic stripe should not be re-registered, i.e. when the plastic surface protection is deeply scratched. To protect against the re-registration of such cards, the Cartadis TC11N checks that they have not been used for more than 3,000 transactions.
Manuel :

The Cartadis TC11N indicates that it is ready for operation by displaying the following message:

Lors de l'affichage de ce message, il est possible d'introduire une carte utilisateur dans le TC11N. Par exemple, l'introduction d'une carte utilisateur contenant 134 copies provoquera l'affichage suivant :

After displaying the information on the card, Cartadis TC11N validates the copier. From this moment on, each copy made will be deducted from the value of the card.
The copier can be blocked by pressing any key on the TC11N or by letting the card value reach 0. While the copier is blocked, the card is updated and then ejected.
If the card value is lower than the A4 price (4.0), the message “insufficient value” is displayed and the card is ejected.
The value remaining on such a card can be transferred to another as follows:

a : Press the ( C ) key.
b : Insert the card to be transferred. For example, a 30-unit card if the A4 price is 50.
The card is ejected with a value of 0.
c : Insert the card to which the tc11n will add the deferral value. For example, a card with a value of 200 units.
The card is ejected with an updated value.
A “value” can be added to a card. In this case, the new value is added to the card balance. Of course, this only applies to reloadable cards.
From the ADMINISTRATION menu, you can add a value to a card as follows:

a : ( ↓ ) Select next menu item
b : ( → ) Enter recording function
c : ( ↓ ) ( → ) Enter “add value” function
d : Initialize the value to be added, for example “100”.
e : A user card must then be inserted to add the value 100.
To return to the main menu, press the ( ← )
A “new value” can be recorded on a reloadable magnetic card in any state:
- blank,
- empty,
- with a value,
- displaying the error message “withdrawal in progress”.
During registration, the card group is initialized with TC11N group 1. From the ADMINISTRATION menu, you can perform this operation as follows:

a : ( ↓ ) Select next menu item
b : ( → ) Enter recording function
c : ( ↓ ) ( → ) Enter “add value” function
d : Initialize the value to be added, for example “1000”.
e : A user card must then be inserted to add the value 1000.
To return to the main menu, press the ( ← )
Eight counters are available from the main administration or operator menus:
Cop.1 to Cop.4: These counters represent the number of copies made with magnetic cards. Cop.1 represents the number of A4 black & white photocopies, Cop.2 the number of A3 black & white photocopies, Cop.3 the number of A4 color photocopies and Cop.4 the number of A3 color photocopies.
Deb. (Throughput): This counter represents the number of units (or the amount of change) deducted from cards of all formats.
Cred. (Credit): This counter represents the number of units (or the amount of change) recorded on the cards. This counter is increased each time a card is registered.
Transac. (Transaction): This counter represents the number of transactions carried out by users. A transaction is the succession of the following operations:
- introduction of a user card,
- execution of copies (in any quantity),
- recovery of the user card.
This counter is intended for maintenance purposes. It enables maintenance visits to be scheduled every 20,000 transactions.
Write error: This counter represents the number of errors that have occurred when writing a magnetic card. On a device in good condition, this counter should always be equal to 0. On a site equipped with several TC11Ns, it's not always easy for the maintenance technician to locate a device that has intermittent writing errors. This counter makes it possible to identify the fault with certainty and, consequently, to carry out corrective action on the faulty device. This counter can be modified, for example, by setting it to zero after a maintenance operation.
The “Cop.1 to Cop.4, Deb., Cred., Transac” counters cannot be modified; they evolve throughout the system's lifetime.
The following page describes how to display these counters from the main menu.

a : ( ↓ )( ↓ ) Select “Statistics” menu item
b : ( → ) Enter “Statistics” function to display first “Copies” counter
c : ( ↓ ) Go to next counter
d : ( ↓ ) Go to next counter
e : ( ↓ ) Go to next counter
f : ( ↓ ) Go to next counter
g : ( ← ) Back to main menu
3.4 DEFINITION OF PRICES AND MAXIMUM VALUE
Depending on the paper format, a price is selected from prices 1 to 4, which is then deducted from the card for each copy made. Price families applicable by user category can be set up. Please contact Cartadis technical department for their implementation.
On delivery, the default prices are :
Price 1 = 1 (A4 Black & White)
Price 2 = 2 (A3 Black & White)
Price 3 = 3 (Format A4 Color)
Price 4 = 4 (Format A3 Color)
The value of the card represents a number of copies, a number of units or a sum of money. It's a question of convention and organization. Depending on the convention chosen, prices 1 to 4 must be defined.
In the case of a sum of money, it is possible to display the value of the card as well as those of the debit and credit counters, followed by a decimal point and two digits. The “decimal point” parameter must be set to “Yes” for a display with decimal point, or to “No” for a display without decimal point.
For security reasons, it is possible to reject cards with a value above a given limit. This limit is defined by the “ValMax” parameter; by default, this limit is 10,000 units. To remove this limit, and therefore accept all cards whatever their value, enter the value 0.
For sites which have chosen to load cards in currency, and therefore also to have prices in currency, a mechanism is provided to ensure the transition to the European currency: the Euro. If you are concerned, you can obtain details of the procedure to follow from the Cartadis technical department. For sites not concerned, you must ensure that the Euro parameter is always set to 0.
The table below describes how to display and modify these values:


a : ( ↓ )( ↓ )( ↓ ) Select “Init price” menu item
b : ( → ) Enter “Init Price” function to display first “Price 1” (A4 B&W)
c : ( ↓ ) Go to next “Price 2” (A3 B&W)
or
( C ) to modify Price 1
( 5 ) ( 0 ) ( E ) 50 centimes, for example, key E validates the value
d : ( ↓ ) To go to the next parameter
or
( C ) to modify Price 4 (A3 color)
( 1 ) ( 0 ) ( 0 ) ( E ) 1$ for example, key E validates the value
e : ( C ) To modify the “Decimal point” parameter
Yes ( E ) to activate “Decimal point”.
f : ( C ) To modify “Maximum value” parameter
( 3 ) ( 0 ) ( 0 ) ( E ) 300 units maximum, for example
g : Always 0 for sites not affected by the euro changeover
( ← ) back to main menu
The “Group Number” concept allows a set of user cards to be accepted or rejected by the Cartadis TC11N. The Cartadis TC11N memory contains 3 group numbers which can be displayed or modified from the “TC11N parameters” sub-menu (the number of groups can be extended to 10; if necessary, contact Cartadis technical service).
As we have seen on page 6, a user card is always registered with the device group number 1 when programming the card from the ADMINISTRATION menu.
A Cartadis TC11N will accept a user card if the group number present on the card is identical to one of the 3 group numbers present in its memory. Device group numbers can only be changed by reading the number on the Administration cards. This highly secure procedure protects operators against the use of cards from Cartadis systems that do not belong to them.
By way of example, we are dealing with an installation of three TC11Ns, with serial numbers 100123, 100124 and 100125 respectively. To ensure that the user cards work equally well on all TC11Ns, we arbitrarily choose TC11N number 100124 as the reference device, then modify the group number 1 of the other two (see diagram below).

These numbers are factory-set as follows:

These numbers are displayed at each power-up.
Group 1 has a privileged role over Groups 2 and 3: it is always Group 1 that is registered on a user card using the ADMINISTRATION menu registration function.
In most cases, Groups 2 and 3 will never need to be used. It is only necessary to use them when you want to set up a copier with hierarchical access.
For example, in a school, teachers' cards can be used on all the school's copiers, while students' cards will not be accepted on copiers reserved for teachers.
Example of use with 2 hierarchical levels :

Cards created on TC11N 100300 or 100301 can be used on all the school's copiers.
Cards created on TC11N 100302 or 100303 can only be used in the student room.
details of operations to modify the group number of a TC11N

To change the number of group 2 or group 3, proceed in the same way. See diagram on page 12 to locate these two groups.
a : ( ↓ )( ↓ )( ↓ )( ↓ )( ↓ ) Submenu selection “TC11N parameters”
b : ( → ) Enter submenu “TC11N parameters”
c : ( ↓ ) Skip serial number
( ↓ ) change operating mode
d : ( → ) Enter “Group” submenu
e : ( C ) Request modification of group number 1
f : The TC11N waits for the Administration (or Operator) card of the reference TC11N to be inserted.
g : After inserting the device administration card n°100124 for example, the new Group 1 appears
h : ( ← ) Back to main menu
3.6 AUTOMATIC USER CARD EJECTION
This parameter enables the user card to be automatically ejected when a certain time has elapsed and no copy has been made. This waiting time can be set in 10-second increments. The “Automatic ejection” parameter can be set between 1 and 99, which means a maximum of 990 seconds. Value 0 has a special meaning, indicating that there is no automatic ejection. This parameter is factory-set to 12, i.e. 2 minutes (see diagram on page 12 to locate the “Eject Auto” parameter).
In the case of a Cartadis TC11N photocopier, the “Mode” parameter must always be set to CopieurX (where X is a number from 1 to 9).
The “Timer” value of this parameter defines a special time control operating mode (Timer mode, see page 8).
The “Keyboard” value of this parameter defines an operating mode in which the value to be debited from the card is entered from the keyboard (see page 8).
By default, the “mode” parameter is set to Copier1.
- If the “Beep” parameter is set to Yes :
.A beep is emitted every minute when a card is waiting to be manually removed from the reader.
- If “Beep” is set to No :
. No audible signal.
By default, this parameter is set to 0.
It means that the user card will remain locked inside the reader in the event of a write error (the card is ejected when the reader is switched OFF/ON by an operator).
Otherwise, this parameter represents a delay (in seconds) ranging from 1 to 99 (1 to 99 seconds) during which the card remains inside the reader in the event of a write error. The card is automatically ejected at the end of this time.
By default, this parameter is set to No.
For security reasons, the Cartadis TC11N automatically exits the Administration menu after 4 minutes of inactivity. This behavior provides security when the administrator forgets to exit the Administration menu (risk of card reloading by users). If this behavior is not desired, for example when a TC11N is dedicated to reloading cards and is placed in a safe place, the “No reboot” parameter should be set to “Yes”.
The OPERATOR is the person who holds the operator card; this person has limited access to the TC11N programming functions. Card registration functions are inhibited with this card, while other functions are accessible.
Another difference between the ADMINISTRATION card and the OPERATOR card lies in CARTADIS TC11N acceptance controls:
- The ADMINISTRATION card is only accepted by the TC11N with which it was delivered (serial number check).
- The OPERATOR card is accepted by all TC11Ns with the same group number (set of compatible devices).
Consequently, an operator card can be handed over to a service technician or other person, without any risk. The functions accessible via the operator card are described in the table on the next page.

After 4 minutes of inactivity in the OPERATOR function, the Cartadis TC11N automatically exits this program and becomes available to users again.
If any of the following parameters are modified, the Cartadis TC11N requests the administration card in order to save them when exiting the menu:
- price 1 (A4 Black & White) and price 2 (A3 Black & White),
- Decimal point,
- End of cycle wait, Count pulse wait parameters,
- Group1, Language, Auto eject delay settings,
- Operating mode (copier 1, copier 2 etc.)
If one of these parameters is modified without the administration board, the only way to restart the Cartadis TC11N once the “Insert ADMIN board” message appears is to switch the power supply on and off.
Warning! if the administration board has not been updated with the modified parameters, in the event of a device “memory error” and parameters restored with the administration board, not all parameters will be correctly restored.
The group number of an OPERATOR card can be modified by copying the group number of another Cartadis TC11N. This allows several OPERATOR boards to operate with the same TC11N group number.
To replace the group number of an operator card with the number of a TC11N, proceed as follows:
1 - using the Administration card, go to the “record = value” menu item,
2 - define a dummy value to record,
3 - insert operator card.
5.1 COMPATIBILITY with CARTADIS EQUIPMENT
CARTADIS TC11N has only limited compatibility with older generations of magnetic card equipment. Compatibility between devices of the same group number is described below.
Compatibility with TC1 , TC2, TC3 :
No compatibility.
Compatibility with TC11 :
Full compatibility, provided you choose group numbers below 99999.
Compatibility with TC4 :
Full compatibility with group numbers below 99999. The account number and access code are ignored and left as they are; only the TC4 user card value field is taken into account. If the user card has no value field, the TC11N displays the message “Card Unknown”.
Compatibility with TC4N :
The account number and access code are ignored and left as they are; only the value field of the TC4 user card is taken into account. If the user card has no value field, the TC11N displays the message “Card Unknown”.
Compatibility with DRC4 :
Full compatibility with group numbers below 99999. Full compatibility with reloadable cards only (incompatibility with disposable cards).
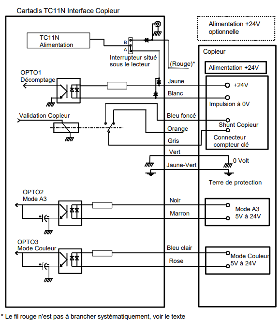
Electrical connection of the Cartadis TC11N must be carried out by a photocopier specialist. The TC11N is “seen” by the photocopier as a key meter and therefore connects like one. The TC11N has no power supply of its own, and is generally powered from the copier's +24V supply. Depending on the situation, this supply may be taken from the +24V available on one of the counter pulse terminals, or when this is not possible, directly from the photocopier's +24V supply.
When full galvanic isolation between the Cartadis TC11N and the photocopier is required by the end-user or the photocopier manufacturer, an optional external power supply is required. This power supply must be connected to the connector on the rear panel of the unit, with the switch accessible from the underside of the case set to “B” (see diagram on page 33).
If color or A3 format is not required, only 6 wires need to be connected.

After switching off the copier, connect the 4 wires YELLOW, WHITE, DARK BLUE and GREY to the “key counter” connector (see diagram on next page).
Connecting the green 0Volt wire :
- If your copier has the 0Volt connected to mechanical ground, then to simplify connection, you can connect this green wire to mechanical ground.
- If the copier's 0Volt is not connected to mechanical ground, as is the case with Ricoh copiers (Gestetner, Infotec, Nashua, Rex Rotary...), it is imperative to connect the green wire to the 0Volt (of the +24V) of the copier's power supply (the 0Volt is generally available on one of the shunt terminals).
Connecting the yellow/green wire :
- This wire must always be connected to the copier's mechanical ground.
Once these 6 wires have been connected, the TC11N is ready for operation. When the copier is switched on, the TC11N is also switched on.
Special case of copiers that do not supply 24V to the counter pulse terminals (some Panasonic copiers):
The TC11N's +24V power supply must be connected using the red wire, which must be connected to the +24V of the copier's power supply (the other 6 wires being connected as described above). The switch accessible from the underside of the box should be set to position “B”.
Special case of CANON copiers (analog):
These copiers do not supply +24V to the card counter socket. The connections to be made are :

For CANON digital copiers, please contact Cartadis technical service.

*The red wire is not to be connected systematically, see text
The Cartadis TC11N can handle up to four different prices, depending on the copy format (A4, A3 black & white or color). However, this feature is only available with photocopiers delivering status signals (such as Ricoh's Aficio range of copiers or Sharp's digital copiers).
The “mode” parameter in the “TC11N parameter” sub-menu defines the behavior of the TC11N, i.e. the electrical levels that will trigger the output of prices 1 to 4. Today it can take the following two values:
Copier 1
The Opto 2 and Opto 3 opto-couplers (see previous page) enable the TC11N to know the current state of the photocopier (A4, A3 Black & White or color). The user's card will be debited with the price associated with the photocopy format, as soon as an impulse is received on Opto 1.
Copier 2
An impulse on Opto 1 systematically debits price 1.
An impulse on Opto 2 systematically triggers a charge for price 2.
An impulse on Opto 3 systematically triggers a price 3 debit.
Other modes can be defined (including on site); please contact our technical department if necessary.
In addition to the “mode” parameter described above, there are three parameters which enable you to adapt the TC11N to the model of copier you have:
PulseFilter: This parameter represents the minimum number of milliseconds the copier's countdown pulse must last to be considered a valid pulse. This parameter can be set between 1 and 999, and is intended to protect against countdown pulses with rising and falling edges. The optimum value for this parameter is determined by successive trials:
- If this parameter is set too high, the TC11N may lose countdown pulses.
- If this parameter is set too low, the TC11N will count down more copies than copies made.
A “PulseFilter” setting of 20 milliseconds (default) generally gives good results.
AttFinCycle: This parameter represents the number of seconds during which the TC11N will wait for any copy pulses, after a user has requested card ejection by pressing any key on the keypad. This time can be set from 0 to 99 seconds, and is generally set to 4 (default value).
This parameter is particularly useful on copiers which send the “copy pulse” at the end of the copy cycle.
AttAfterPulse: This parameter delays the opening of the shunt as soon as the card's copy credit reaches 0. This delay is adjustable between 0 and 9 seconds and is useful on certain copiers which do not accept shunt opening on the countdown pulse and therefore cause a jam or incomplete copy. The default value is 0.
To display or modify these parameters, proceed as follows from the main menu:


a : ( ↓ )( ↓ )( ↓ )( ↓ ) Selection of “copier parameters” submenu
b : ( → ) Enter the “copier parameters” submenu to display the first “pulse filter” parameter.
c : ( ↓ ) Go to next counter
or
If you wish to modify this value, press key C followed by the new value key validated by key E
d : ( ↓ ) Go to next counter
or
If you wish to modify this value, press key C followed by the new value key validated by key E
e : If you wish to modify this value, press key C followed by the new value key, validated by key E
f : ( ← ) Back to main menu
5.5 INSTALLATION VALIDATION PROCEDURE
In the case of an installation of several devices on the same site, before registering a card, the TC11N group numbers must be matched (see page 20).
Check the supply voltage using the built-in voltmeter (“power supply” menu in the “TC11N parameters” submenu). It should be between 22 and 26 volts.
To check that the TC11N is operating correctly, register a user card (see page 14), then use this card to make copies and check the following points:
- An A4 copy counts down one and only one copy on the card; this check should be carried out in single-copy and multi-copy mode. If the countdown is incorrect, refer to page 34 for setting the “PulseFilter” parameter. If you wish to count down not from 1 to 1, but from another value, refer to page 18 for “Price 1” setting.
- Depending on the system, check the amounts debited using an A3 black & white copy, then color if necessary.
- Check that the “AttFinCycle” parameter has been correctly set, as follows:
1 - insert a valid user card,
2 - press the COPY button on the copier and, immediately afterwards, press a key on the TC11N,
3 - check that the copy has been deducted from the card.
To ensure proper operation, we recommend :
- clean the rubber drive roller with a cloth soaked in alcohol.
- clean the magnetic head with a cleaning card soaked in alcohol.
- dust the entire reader with a compressed-air spray.
- check write error counter
These cleaning operations are to be carried out with the power off. Removing and fitting the cover is also to be done with the power off. After these cleaning operations, the write error counter must be set to zero.
To help you identify the parts to be cleaned, please refer to the cross-section of the drive on the next page.
If the write error counter is greater than 5, the unit must be cleaned quickly. If, after cleaning, the write error persists, the magnetic head must be replaced.
If you need to replace the circuit board, see page 40 for information on “Memory error” and how to change the serial number.
SCREEN REMAINS OFF
This is probably a wiring problem:
- Check green wire connection.
- The copier does not supply +24V to one of the counter pulse terminals, so +24V must be supplied to the red wire. Check the switch under the reader, see page 32.
NO COPIER AUTHORIZATION WITH USER CARD
This is probably a wiring problem:
- Check the connection of the grey and dark blue wires on the SHUNT copier.
NO COPY COUNT
The problem may be due to incorrect wiring or settings in the TC11N:
- Check yellow and white wires.
- Check prices 1 and 2.
- Reduce “PulseFilter” parameter.
THE TC11N DISPLAYS “MEMORY ERROR”
A memory error may occur as a result of: a hardware fault, severe electrical interference, disconnection of electronic boards, etc. To cancel this error, simply reinsert the device's “Administration” card.
Caution: Do not insert the “Administration” card of another TC11N, otherwise the serial number of the device will be modified by the number on the card.
The “Memory error” message is displayed when the TC11N has detected that information in its memory has been modified for no reason. This deteriorated information may relate to statistics counters or to the TC11N's internal parameters. To refine its diagnosis, the TC11N provides a number behind the “Memory error” message:
- 1” means that the error is at the level of: serial number, group number, prices 1 and 2, Impulse Filter, Automatic Ejection, Decimal Point, Language. Inserting the “Administration” card cancels the memory error and automatically regenerates all these parameters.
- 2” means that the error is in the counters: Copies, Debit, Credit, Transactions, Write error. Inserting the “Administration” card cancels the error, but does not regenerate the disturbed information. These counters must therefore be read to check the extent of the memory error.
- 3” means that the error is an accumulation of the two previous cases.
If the counters need to be reset, use the following procedure:
1) Insert the Administration card and display the serial number,
2) Press the “C” key,
3) Enter the code: 2 3 4 6 8 while the message “modification forbidden” is displayed,
4) After 2 seconds, the message “Reset Done” is displayed and all counters are cleared.
If the electronic card is to be replaced, the new card must be installed with the customer's device number. To proceed with this serial number modification, the new electronic board must be in “memory error” mode, then the administration board must be inserted.
To set the TC11N to “memory error”, there are two procedures, depending on whether or not you have the administration card:
With the administration card :
1) Insert the Administration card and display the number of transactions,
2) Press the “C” key,
3) While the message “modification forbidden” is displayed, enter the code: 2 3 4 6 8,
4) After 2 seconds, the message “memory error 1” is displayed.
Without administration card :
1) Switch off the copier and make a copier shunt using any electrical wire,
2) Switch on the copier,
3) While the version is displayed, press and hold the “C” key,
4) With the “C” key still held down, make a copy,
5) The TC11N displays “memory error 1”.
Blank card: This card is brand new and ready to be registered.
Unknown card: This card has not been read by the TC11N despite several attempts, is demagnetized, physically damaged or is not of Cartadis origin.
Illegal card: This is a Cartadis card, but this type of card is not expected by the TC11N at this time. For example, an attempt to reload an “Administration” card.
Used card: Attempt to reload a card that has performed more than 3,000 transactions.
Card blocked : The card is blocked in the device for a mechanical reason. Disconnect and reconnect the TC11N. If the message reappears, switch off the mains, open the cover and remove the card by pushing it outwards.
Removal in progress: This card has not been removed from the device by normal means. This is either an attempted fraud or a hardware failure.
Write error: The TC11N is unable to write the new copy balance to the card. The number of copies shown on the display is the card's copy balance, and must be noted to reimburse the user. Disconnect and reconnect the TC11N; the card is usually permanently destroyed.
Group error: The magnetic stripe on this card does not have the same group number as the TC11N. It is possible to change the group number of a user card by registering it again.
Serial error: The “Administration” card does not correspond to this TC11N.
Memory error: See here
Was this article helpful?
That’s Great!
Thank you for your feedback
Sorry! We couldn't be helpful
Thank you for your feedback
Feedback sent
We appreciate your effort and will try to fix the article